SXZ-B2型電阻應變軸式傳感器、變送器
- 產品分類:稱重測力傳感器
- 全國咨詢熱線:
- 13907318074
分享到:
概述
SXZ-B2型電阻應變軸式傳感器采用雙孔梁結構,具有精度高、穩定性能好、抗偏載能力強等特點,適應于惡劣環境、野外勘探、石油測井儀和吊鉤秤配套使用。
主要技術指標
非線性誤差 ≤±0.5℅F.S
滯后誤差 ≤±0.5℅F.S
重復性誤差 ≤±0.25℅F.S
輸出靈敏度 2~2.5mV/V
溫度零點影響 0.04℅F.S/℃
輸出阻抗及橋壓 700Ω/10VDC
絕緣電阻 ≥2000ΜΩ
過載能力 120℅F.S
工作環境溫度 -10℃~+55℃
系列規格 36(t)
變送器輸出 0~5VDC 0~10VDC 1~5VDC 0~10mA 0~20mA 4~20mA
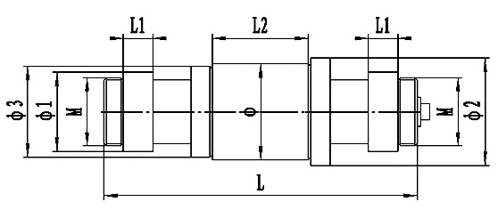
外形尺寸單位(mm)
SXZ-B2型電阻應變軸式傳感器采用雙孔梁結構,具有精度高、穩定性能好、抗偏載能力強等特點,適應于惡劣環境、野外勘探、石油測井儀和吊鉤秤配套使用。
主要技術指標
非線性誤差 ≤±0.5℅F.S
滯后誤差 ≤±0.5℅F.S
重復性誤差 ≤±0.25℅F.S
輸出靈敏度 2~2.5mV/V
溫度零點影響 0.04℅F.S/℃
輸出阻抗及橋壓 700Ω/10VDC
絕緣電阻 ≥2000ΜΩ
過載能力 120℅F.S
工作環境溫度 -10℃~+55℃
系列規格 36(t)
變送器輸出 0~5VDC 0~10VDC 1~5VDC 0~10mA 0~20mA 4~20mA
外形尺寸單位(mm)
| 量程 | L | L1 | L2 | Φ | Φ1 | Φ2 | Φ3 | Μ |
| 36t | 300 | 26 | 85 | 85 | 70 | 95 | 80 | 60×2 |




